1. 개요
블라디미르 코스마 즈보리킨(Владимир Козьмич Зворыкин블라디미르 코지미치 즈보리킨러시아어, 1888년 7월 29일? ~ 1982년 7월 29일)은 러시아계 미국인 발명가이자 엔지니어이며, 텔레비전 기술의 선구자이다. 그는 음극선관을 사용하는 텔레비전 송수신 시스템을 발명했으며, 전하 저장형 튜브, 적외선 이미지 튜브, 전자현미경 등 1930년대 초반부터 텔레비전의 실질적인 발전에 중요한 기여를 했다. 그의 핵심 발명품인 아이코노스코프(텔레비전 카메라 튜브)와 키네스코프(수신 장치)는 현대 텔레비전 기술의 기초를 다졌다. 즈보리킨은 텔레비전 외에도 다양한 과학 기술 분야에 기여했으며, 그의 업적은 수많은 상과 영예로 인정받았다. 그는 때때로 텔레비전의 "진정한" 발명가로 불리기도 하지만, 필로 판즈워스 등 다른 인물들도 중요한 역할을 했다.
2. 초기 생애 및 교육
즈보리킨의 어린 시절과 학업은 그의 미래 발명가 경력의 토대가 되었다.
2.1. 출생 및 가족 배경
블라디미르 즈보리킨은 1888년 또는 1889년 러시아 무롬에서 부유한 상인 가문의 아들로 태어났다. 그의 정확한 출생일은 1888년 7월 29일(그레고리력) 또는 1889년 7월 30일로 기록마다 차이가 있다. 그는 비교적 평온한 어린 시절을 보냈으며, 종교적 휴일을 제외하고는 아버지를 거의 만나지 못했다.
2.2. 학업 및 초기 연구
즈보리킨은 상트페테르부르크 공과대학교에서 보리스 로싱의 지도를 받으며 공부했다. 그는 상트페테르부르크 포병 학교에 있는 로싱의 개인 연구실 지하에서 텔레비전 실험 작업을 도왔다. 당시 즈보리킨은 "전기 망원경"이라는 개념을 처음 접했으며, 이는 나중에 텔레비전으로 불리게 될 기술의 초기 형태였다. 즈보리킨은 1880년대부터 다른 과학자들이 이 아이디어를 연구해 왔고, 로싱 교수가 1902년부터 비밀리에 연구하여 상당한 진전을 이루었다는 사실을 알지 못했다. 로싱은 1907년에 텔레비전 시스템에 대한 첫 특허를 출원했는데, 이 시스템은 수신기로 초기 음극선관을, 송신기로 기계적 장치를 사용했다. 로싱이 개선된 설계를 기반으로 1911년에 시연한 것은 모든 종류의 TV 시연 중 세계 최초였다.
즈보리킨은 1912년에 대학을 졸업한 후 파리로 건너가 폴 랑주뱅 교수 밑에서 X선을 연구했다.
3. 경력
즈보리킨의 직업적 경력은 러시아에서의 초기 활동과 미국으로의 이주, 그리고 RCA에서의 텔레비전 기술 개발이라는 중요한 전환점을 거쳤다.
3.1. 러시아에서의 활동 및 이주
제1차 세계 대전 중 즈보리킨은 러시아군 통신대에 입대하여 복무했다. 이후 그는 러시아군을 위해 생산되는 무선 장비를 시험하는 일을 했다.
즈보리킨은 러시아 내전이 한창이던 1918년 러시아를 떠나 미국으로 이주하기로 결심했다. 그는 러시아 과학자 이노켄티 톨마체프가 이끄는 탐험대의 일원으로 시베리아를 거쳐 오비강을 따라 북쪽으로 북극해까지 이동했으며, 1918년 말에 미국에 도착했다. 그는 1919년 블라디보스토크를 거쳐 당시 알렉산드르 콜차크 제독 정부의 수도였던 옴스크로 돌아갔다가, 옴스크 정부의 공무로 다시 미국으로 갔다. 그러나 콜차크의 죽음과 시베리아에서 백군이 붕괴되면서 그의 임무는 끝났고, 즈보리킨은 미국에 영구히 정착하기로 결정했다.
3.2. 미국에서의 경력 시작
미국에 정착한 후, 즈보리킨은 피츠버그에 있는 웨스팅하우스 연구소에서 일자리를 얻었고, 그곳에서 텔레비전 실험에 참여할 기회를 다시 얻었다.
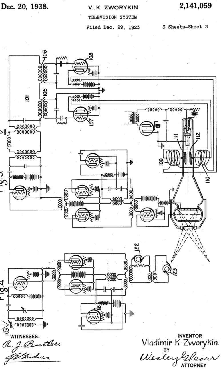
즈보리킨은 1923년 미국에서 텔레비전 특허를 신청하며 자신의 발명을 두 개의 특허 출원으로 요약했다. 첫 번째는 "텔레비전 시스템"이라는 제목으로 1923년 12월 29일에 제출되었고, 1925년에는 본질적으로 동일한 내용에 약간의 변경과 색상 전송 및 수신을 위한 Paget 유형의 RGB 래스터 스크린이 추가된 두 번째 출원이 뒤따랐다. 1928년에 1925년 출원에 대한 특허를 받았고, 1931년에 분할된 1923년 출원에 대해서는 2개의 특허를 받았다. 하지만 당시 설명된 장비는 성공적으로 시연되지 못했다. 즈보리킨은 음극선관을 송신기와 수신기로 모두 사용한다고 설명했는데, 이는 스캔 주기 사이에 전자 방출을 방지하는 것이 기본 목적으로, 1908년 6월 《네이처》지에 발표된 A. A. 캠벨 스원턴의 제안과 유사했다.

즈보리킨이 1925년 말 또는 1926년 초에 실시한 시연은 음극선관 기반 시스템의 가능성을 보여주었음에도 불구하고 웨스팅하우스 경영진에게는 성공적이지 못했다. 그는 경영진으로부터 "보다 실용적인 노력에 시간을 할애하라"는 말을 들었지만, 자신의 시스템을 완성하기 위한 노력을 계속했다. 1926년 피츠버그 대학교에서 철학박사 학위를 취득한 그의 박사 학위 논문에서 알 수 있듯이, 그의 실험은 주로 광전 셀의 출력을 개선하는 데 집중되었다. 그러나 이러한 개선 방식에는 한계가 있었고, 1929년 즈보리킨은 진동 거울과 팩스 전송에 대한 특허를 출원했다. 동시에 그는 개선된 음극선 수신관에 대한 실험도 진행하여 1929년 11월에 이에 대한 특허를 출원하고, "키네스코프"라는 이름의 새로운 수신기를 발표했으며 이틀 후 무선학회 대회에서 논문을 발표했다.
3.3. RCA에서의 활동 및 주요 발명
즈보리킨은 미국 라디오 주식회사 (RCA)에서 텔레비전 개발의 핵심 인물로 활동하며 여러 중요한 발명품을 탄생시켰다.

3.3.1. 음극선관 기반 텔레비전 시스템
1929년 12월까지 키네스코프의 프로토타입을 개발한 즈보리킨은 훗날 NBC를 창설하는 RCA 사장 데이비드 사르노프를 만났다. 사르노프는 즈보리킨을 고용하여 뉴저지주 캠던에 있는 RCA 공장과 연구소에서 텔레비전 개발 책임자로 임명했다.
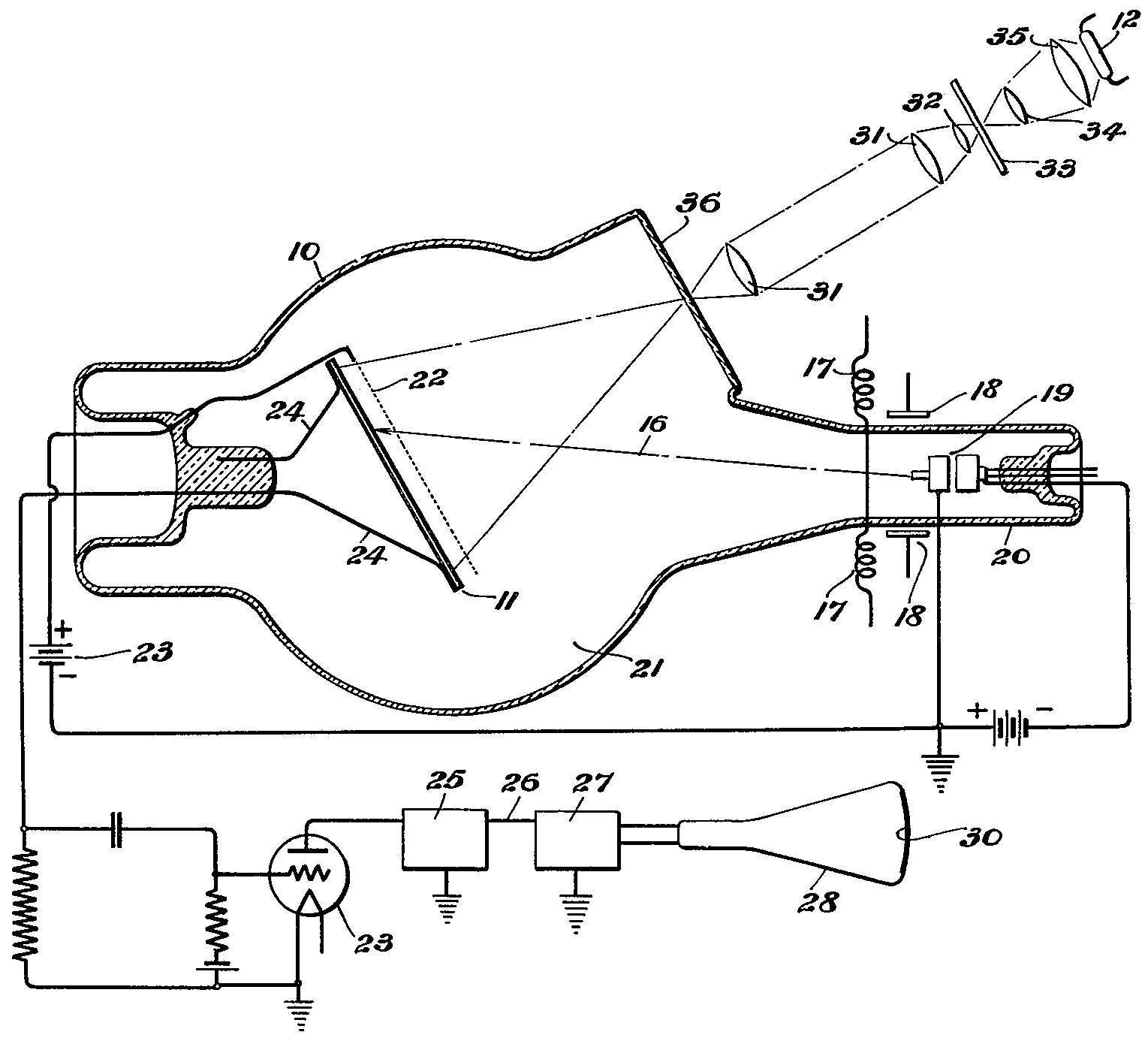
RCA의 캠던 연구소로의 이전은 1930년 봄에 이루어졌으며, 텔레비전 송신기 개발이라는 어려운 작업이 시작되었다. 1930년 중반에 사내 평가가 있었는데, 키네스코프는 60라인의 해상도로 잘 작동했지만 송신기는 여전히 기계식이었다. "돌파구"는 즈보리킨 팀이 새로운 유형의 음극선 송신기를 개발하기로 결정하면서 찾아왔다. 이 송신기는 헝가리 발명가 티허니 칼만이 1928년에 영국과 프랑스에서 우선권을 주장하며 발표한 특허에 기재되어 있었고, RCA는 그의 특허가 공개된 후 1930년 7월에 티허니에게 연락을 취했다. 이 시스템은 광학 이미지가 투사되는 동일한 면에서 주사 전자 빔이 광전지를 공격하는 독특한 디자인이었다. 더욱 중요한 것은, 음극선 빔에 의한 두 스캔 사이의 전체 시간 동안 전하를 축적하고 저장하는 완전히 새로운 원리에 기반한 작동이 특징이었다.
3.3.2. 아이코노스코프 및 키네스코프 개발
앨버트 아브람슨에 따르면, 즈보리킨의 아이코노스코프 실험은 1931년 4월에 시작되었다. 1931년 10월 23일 최초의 유망한 실험용 송신기를 달성한 후, 새로운 카메라 튜브의 이름을 아이코노스코프로 명명하기로 결정했다. 즈보리킨은 1932년에 RCA에 처음으로 자신의 아이코노스코프를 선보였다. 그는 아이코노스코프 개발 작업을 계속했으며, 1934년에 발표된 이미지 아이코노스코프는 즈보리킨과 RCA의 라이선스를 받은 텔레풍켄 간의 협력 결과였다. 1935년 독일의 라이히스포스트(Reichspost)는 이 튜브를 사용하고 180라인 시스템을 적용하여 공영 방송을 시작했다.

3.3.3. 기타 기술 개발 (적외선, 전자현미경 등)
즈보리킨은 텔레비전 기술 외에도 다양한 분야에 기여했다. 그는 적외선 이미지 튜브와 전자현미경 개발에 중요한 역할을 했다. 또한 그는 야간 시야 장치를 발명하여 달빛이나 별빛을 6만 배까지 증폭시켜 밤을 낮처럼 밝히는 데 성공했다.
3.4. 특허, 경쟁 및 논란
즈보리킨의 발명은 여러 특허 출원과 등록 과정을 거쳤으며, 동시대 발명가들과의 치열한 기술 경쟁과 특허 분쟁에 휘말리기도 했다.
3.4.1. 필로 판즈워스와의 특허 분쟁
RCA는 즈보리킨의 1923년 특허가 필로 판즈워스의 설계보다 우선권이 있다고 주장하며 판즈워스를 상대로 저촉 소송을 제기했다. 이는 즈보리킨이 1931년 이전에 작동하는 송신기 튜브를 실제로 생산했다는 증거를 제시할 수 없었음에도 불구하고 진행되었다. 판즈워스는 1928년에 즈보리킨에 대한 두 개의 저촉 청구에서 패소했지만, 이번에는 그가 승소하여 미국특허청은 1934년에 이미지 분해기 발명의 우선권을 판즈워스에게 부여하는 결정을 내렸다. RCA는 후속 항소에서도 패소했지만, 다양한 문제에 대한 소송은 몇 년 동안 계속되었고, 마침내 사노프는 판즈워스에게 로열티를 지불하기로 합의했다.
즈보리킨은 1923년 특허 출원된 컬러 전송 버전에 대해 1928년에 특허를 받았다. 그는 또한 1931년에 원래 출원을 분할하여 1935년에 특허를 받았고, 두 번째 특허는 특허청의 이의에도 불구하고 판즈워스와 무관한 다른 저촉 판결에 의해 1938년에 항소법원에서 발급되었다.
4. 후기 생애 및 은퇴
즈보리킨은 1954년에 RCA에서 은퇴했다. 은퇴 후 그는 의공학과 생물공학의 새로운 분야에 매료되어, 국제 의학 및 생물 공학 연맹의 창립자이자 초대 회장이 되었다. 이 연맹은 뛰어난 연구 공학에 대한 공로를 기리기 위해 '즈보리킨 상'을 수여하고 있다.
즈보리킨은 1974년 인터뷰에서 텔레비전 같은 하찮은 것은 평소에 전혀 보지 않는다고 말하며, 텔레비전 개발에 대한 자신의 가장 큰 기여는 전원을 끄는 스위치를 발명한 것이라고 언급했다. 말년에는 텔레비전 방송의 질에 크게 분개하여 "손자들에게는 보여주지 않겠다"고 말한 것으로 전해진다.
5. 개인적인 삶
즈보리킨은 1916년에 타티아나 바실리예바와 결혼하여 두 딸을 두었으나, 이 부부는 1930년대 초에 헤어졌다.
그는 1951년에 재혼했다. 그의 두 번째 아내는 러시아 태생의 펜실베이니아 대학교 세균학 교수인 캐서린 폴레비츠키(1888-1985)였다. 두 사람 모두 재혼이었으며, 결혼식은 뉴저지주 벌링턴에서 열렸다. 그의 결혼과 세계 여행에 대한 사진 기록은 온라인에서 찾아볼 수 있다.
6. 수상 및 영예
즈보리킨은 지속적인 승진 과정에서 RCA의 많은 중요한 개발에 계속 참여했으며, 그의 과학 기술 발전에 대한 공헌을 인정받아 여러 뛰어난 영예를 받았다.
- 1934년: 무선학회 (Institute of Radio Engineers)로부터 모리스 리브만(Morris Liebmann) 기념상 수상.
- 1941년: 미국 예술 과학 아카데미 회원으로 선출.
- 1947년: 프랭클린 연구소로부터 하워드 N. 포츠 메달 수상.
- 1948년: 미국철학학회 회원으로 선출.
- 1951년: IRE (Institute of Radio Engineers) 명예상 수상.
- 1952년: AIEE (American Institute of Electrical Engineers) 에디슨 메달 수상.
- 1954년: RCA의 명예 부사장으로 임명.
- 1965년: 영국으로부터 패러데이 메달 수상.
- 1966년: 그가 회원이었던 미국국립과학원으로부터 과학, 공학, 텔레비전 도구에 대한 공헌과 의학에 대한 공학 적용을 촉진한 공로로 국가 과학 메달 수상.
- 1967년: 미국 성취 학술원 (American Academy of Achievement)의 골든 플레이드 어워드 수상.
- 1977년: 미국 국립 발명가 명예의 전당에 헌액.
- 1980년: 독일의 에두아르트 라인 재단으로부터 최초의 에두아르트 라인 명예의 반지 수상.
1952년부터 1986년까지 전기전자공학자협회 (IEEE)는 훌륭한 엔지니어에게 블라디미르 K. 즈보리킨의 이름으로 상을 수여했다. 보다 최근에는 국제 의학 및 생물 공학 연맹에서 '즈보리킨 상'을 수여하고 있다.

7. 유산 및 영향력
즈보리킨의 발명은 텔레비전 기술과 사회에 지대한 영향을 미쳤으며, 그의 업적은 여러 형태로 기념되고 있다.
즈보리킨은 뉴저지 발명가 명예의 전당과 국립 발명가 명예의 전당에 헌액되었다. 또한 오리건주 비버턴에 있는 텍트로닉스사는 회사 캠퍼스 내 거리 이름을 즈보리킨의 이름을 따서 명명했다.
1995년 일리노이 대학교 출판부에서는 앨버트 아브람슨의 전기 《즈보리킨, 텔레비전의 개척자》(Zworykin, Pioneer of Television)를 출간했다.
2010년 레오니드 파르피요노프(Leonid Parfyonov)는 즈보리킨에 대한 다큐멘터리 영화 "Zvorykin-Muromets"를 제작했다.
즈보리킨은 미국 과학 또는 문화에 뛰어난 공헌을 한 러시아 이민자들을 기리는 러시아계 미국인 총회의 명예의 전당에 등재되어 있다.
8. 관련 항목
- 존 로지 베어드
- 티허니 칼만
- 필로 판즈워스
- 무언가의 "아버지" 또는 "어머니"로 알려진 사람들의 목록